WTT-Banner-first-order10-percent-2025

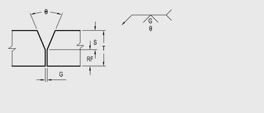
single V groove weld joint parameters in 1.2 and 1.6 mm electrod used in fcaw and gmaw

by hardik vyas
(a'badad,gujarat,india)

no

no

please list parameters for the joint pictured for fcaw and gmaw.

--------------------------------------------------

Thats a very broad question without thickness of joint, or thickness of metal, or position of weld, direction of travel, etc.

I can offer 2 very good resources for establishing a starting point of weld parameters.

for fcaw, this pdf file is very helpful...it is lincoln electric guide for fcaw dual shield wires.

http://www.lincolnelectric.com/assets/en_US/Products/Consumable_Flux-CoredWires-Gas-Shielded-UltraCore-UltraCore712A80/c110b.pdf



the other resource is a weld calculator for bare wire gmaw from miller electric

http://www.millerwelds.com/resources/calculators/mig_solid_amperage_calculator.php

I dont like to make these links live because they are subject to change without my control but all you need to do is copy and paste in your browser address bar and make sure there are no spaces.

Comments for single V groove weld joint parameters in 1.2 and 1.6 mm electrod used in fcaw and gmaw

Average Rating starstarstarstarstar

Click here to add your own comments

Oct 11, 2011
Rating
starstarstarstarstar
thanks
by: Anonymous

thank you sir.

when we r welded 10mm thickness plates in single v groove position for 1.2 mm solid electrode wire so which parameter u are sages in this process?

Click here to add your own comments

Return to mig fcaw forum.

WTT-Banner-first-order10-percent-2025

Enjoy this page? Please pay it forward. Here's how...

Would you prefer to share this page with others by linking to it?

  1. Click on the HTML link code below.
  2. Copy and paste it, adding a note of your own, into your blog, a Web page, forums, a blog comment, your Facebook account, or anywhere that someone would find this page valuable.
var l = window.location.href, d = document; document.write('<form action="#"><div style="text-align:center"><textarea cols="50" rows="2" onclick="this.select();"><a href="'+l+'">'+d.title+'</a></textarea></div></form>');